|
|
pour suivre l'évolution des batteries voir le forum bricoloisirs |
batterie Steco semi stationnaire
Il existe 2 types de batteries
1 ° les batteries de démarrage à décharge rapide
Constituée d'une multitue de plaques fines et pouvant débiter plusieurs centaines d'ampères en un temps très rapide
2 ° les batteries à décharge lente
A) les batteries stationnaires avec des plaquesépaisses genre solarwatt et ne pouvant débiter q'un courant théorique par ex pour une batterie de 100A sur 100 h 1AH ou 5A sur 20H .....
B) les batteries semi- stationnaires avec des plaques moinsépaisses genre hoppecke et qui peuvent débiter des courants plus importants ( voir ci-dessus ) par ex k5 80ah = 80:5 =16A pendant 5H .



K5, K20, K100 par ex , représente le nombre d'heures de décharge de la batterie pour un courant donné , par ex :

| Charge | densitéélectrolyte | Tension | Température |
| 0% | 1.00 | 11,2v | 0 ° |
| 0% | 1.05 | 11.8 v | de -3.3 ° à -7.7 ° |
| 25% | 1.12 | 11.9 v | -10.8 ° |
| 50% | 1.16 | 12.1 v | -17.9 ° |
| 75% | 1.21 | 12.3 v | -31.7 ° |
| 100% | 1.26 | 12.6 v | -56.5 ° |

Principe de fonctionnement
Une batterie gel est une batterie ‘normale' au plomb et acide sulfurique, tel qu'on le trouve dans les modèles dits semi-traction (12V) . La seule différence entre une batterie gel et une batterie ‘liquide' classique (qu'elle soitétanche ou nonétanche), est la substance gélifiée contenant l'électrolyte. Les gaz dégagés lors du processus de chargement sont absorbés par l'électrolyte gélifiée de la batterie. Ce procédé dit de recombinaison emp êche tout gaz de s'échapper, c'est la raison pour laquelle la batterie gel convient parfaitement comme batterie de service.
Les batteries de service
Ces batteries sont conçues pour un usage fréquent, en particulier pour une consommation régulière de courant avec temps de décharge de 5 à 24 heures. Ce type de batterie est disponible en version nonétanche et en version gelétanche, avec une espérance de vie de 5 à 6 ans. Exprimée en cycles, sa durée de vie est d'environ 400 cycles de charge/décharge (statut en décharge de 50%).
la gamme MasterVolt de 80 AH à 200 AH




Une alimentation et une tension suffisante sont des conditions impératives pour le fonctionnement optimal.
Les batteries Optima ne requièrent aucun entretien; lors de tests comparatifs, elles obtiennent les meilleurs résultats quelles que soient les conditions ambiantes, tant par grand froid que par une température très élevée.
Les batteries Optima sont disponibles en trois versions ultra-performantes, d'une capacité initiale de 750 ou 850 ampères! La conception unique des batteries Optima permet les modes d'installation les plus divers, et elles peuvent même être orientées vers le bas. Elles ne présentent aucun risque de fuite, car elles sont remplies d'un électrolyte qui est absorbé dans une fibre de verre à micro-pores faisant en m ême temps office d'isolateur, le tout étant placé dans un boîtier. Ce système remplace avantageusement les cellules remplies d'acide.
Une batterie Optima utilisée correctement peut durer jusqu'à trois fois plus longtemps qu'une batterie classique. Dim.: 245 x 172 x 199mm

1. La technologie VRLA
VRLA est l'abréviation de Valve Regulated Lead Acid, ce qui
signifie que la batterie estétanche. Du gaz s'échappera par des
soupapes de sécurité uniquement en cas de surcharge ou de
défaillance d'éléments.
Les batteries VRLA ont une résistance aux fuites exceptionnelle et
peuvent être utilisées dans toutes les positions.
Les batteries VRLA sont sans entretien à vie.
2. Faible autodécharge
Grâce à l'utilisation de grilles au plomb-calcium et de matériaux de
grande pureté, les batteries VRLA Victron peuvent être stockées
longtemps sans nécessiter de recharge. Le taux d'autodécharge est
inférieur à 2% par mois à 20ºC. L'autodécharge double pour
chaque 10ºC d'augmentation de température.
îche, les batteries VRLA de Victron peuvent donc être stockées jusqu' à un an sans recharge.
5. Récupération exceptionnelle de décharge profonde
Les batteries Victron VRLA ont une capacité de récupération
exceptionnelle m ême après une décharge profonde ou prolongée.
Il faut toutefois souligner que les décharges profondes ou
prolongées fréquentes ont une influence néfaste sur la duréee vie
de toute batterie au plomb/acide, et que les batteries Victron n'y
font pas exception. doc pdf
Batteries développées en exclusivité pour la marque INOVTECH.
Nouvelle technologie :étanche, sans entretien et à electrolyte liquide captif. Autonomie et longévité supérieures de 30% à une batterie stationnaire classique. Vous gagnez en puissance ainsi qu'en longévité.
La technologie AGM autorise des taux de décharge pouvant dépasser 80% de la capacité de la batterie. On utilise ainsi au maximum la réserve d'énergie disponible. Une AGM 60 Amp. est capable de délivrer autant d'énergie qu'une batterie 100 Amp. semi stationnaire classique.
Un complément idéal pour les chargeurs à découpage de type IUoU.
Caractéristiques :
Caractéristiques générales
doc et comparatif en pdf
Série TLI Extra Pro Les batteries TLI Extra Pro (professionnelles) se distinguent des autres batteries au lithium sur le marché par leur densité d'énergie élevée : elles stockent beaucoup plus d'énergie à poids et taille identiques. Les batteries TLI Extra contiennent un système de gestion de la batterie (BMS) sophistiqué qui gère la tension de chacune des cellules, à la fois pendant la recharge et pendant la décharge, augmentant ainsi leur durée de vie. Le BMS garantit également une protection contre les pannes dues aux températures élevées, aux surcharges et aux décharges trop profondes.
Les caractéristiques du BMS sont les suivantes :

Vous trouverez , ci-contre et ci_dessous divers branchements de batteries en parallèle ou en série , avec ou sans séparateur
autre shéma branchement 2 batteries
On peut aussi brancher des batteries en // sans séparateur :


si , vous possédez 2 batteries de capacités et de marque différentes , comme l'exemple à droite , vous pouvez utiliser un coupleur manuel que l'on trouve principalement chez les accessoiristes marine , par ex genre compass , voir installation sur mon campingcar
ce coupleur possède 4 positions :
le panneau solaire peut être relié sur l'une ou l'autre batterie , ou sur les deux si vous avez 2 panneaux ( panneau1 batterie1 panneau 2 batterie 2) .
attention le panneau solaire ne doit pas être désacouplé (sur la pos 0 ) au soleil , il lui faut une charge , donc toujours sur 1 ou 2 , la nuit ou au repos dans un garage vous pouvez le mettre sur 0il y a plein de variantes possibles et d'alimentations diverses , la batterie 1 peut servir pour alimenter l'eau la lumière..... la 2 pour la télé l'ordi .....




shémas scheiber plus de renseignements coupleurs sheiber
Ci-contre rappel de la section des filsPour des renseignements sur les batteries voir sur le site entretien batterie
pour les chargeurs de batterie voir la page CTEK
la section minimales des cables à mettre en oeuvre est fonction de la longueur du circuit aller et retour , ex si vous avez 3m entre la batterie et l'utilisation prévoir 6m ( aller et retour ) sur le tableau et prenez la section supérieure .
6m 20A prévoir du 4 mm2 ( distance réelle entre vos appareils 3m )



08/2010NOUVEAU - moniteur de batterie compact, 124 x 62mm seulement x 23mm! Basé sur le succès BM-1 moniteur de batterie marine, le Pacte BM-1 est spécialement conçu pour les applications où l'espace est une prime. Caravanes, mobile homes, véhicules récréatifs, les petits bateaux et des installations d'énergie renouvelable peuvent tous bénéficier de la BM-1 Compact. Il est capable de surveiller les performances de tout système de 12 volts d'acide de batteries au plomb d'une capacité allant jusqu'à 600 Ampères heure. Le Pacte BM-1 est livré avec un shunt Precision 100 Amp et des câbles préfabriqués pour permettre une installation simple bricolage.
site 99 € téléchargement notice Doc en pps Clipper BM1 par jp33

Un camping car est à la baseéquipé d'une batterie moteur et d'une batterie cellule. Mais si l'on veut doubler la
èmes apparaissent. La réalisation qui suit se propose de les résoudre..
Elle est prévue pour un Pilote type P670 lequel estéquipé d'une centrale "EBL 269" qui assure toutes les
servitudes de commutation de charge et répartition des circuitsélectriques. Il possèdeégalement un panneau
solaire de 75 watts.
Contraintes :
Véhicule à l'arrêt, JOUR + NUIT :

Véhicule roulant de jour :

Ces bilans montrent que le courant consommé peut atteindre de l'ordre de 14A (pour toute sécurité on comptera
16 A), que celui de charge, issu de l'alternateur du véhicule, a une valeurélevée mais est inférieur à 50A (je
l'estime à 30 à 40A suivant l'état de charge de la batterie), que le courant de charge secteur est de 18A
maximum et celui du panneau solaire est de l'ordre de 6A pour un panneau de 75 Watts.
A part celui du panneau solaire, les courants de charge alternateur et secteur sont véhiculés via le bloc EBL269

La description suivante n'est faite que pour donner une idée à ceux qui seraient intéressés car leséléments dimensionnels peuvent varier en fonction du matériel dont on dispose. Pour ma part il s'agit en partie de matériel récupéré au cours du temps et... conservé pendant des années.

Par contre, il faudra veiller à effectuer un câblage homogène sur chacun des contacts afin de ne pas introduire des différences résistives de circuit qui seraient préjudiciables à un fonctionnementéquilibré. Nous verrons plus loin comment réaliser ce câblage.

La partie mobile du circuit magnétique est montée sur la tige située à l'extrémité droite de la guillotine. Ce déport est dû au fait que la bobine de "Lâché" est montée sur un circuit imprimé tenu sur les 3 colonnettes que l'on aperçoit sur la vue "Ensemble monté". Ce circuit comporte la logique de commande de l'ensemble. Les"Allonges" magnétiques se montent en prolongement de la partie fixe magnétique, vers la partie mobile(voir photos en fin d'exposé). Elles permettent de réduire la résistance magnétique du circuit et de faciliter l'attraction de la partie mobile qui a une course de l'ordre de 3mm. Or la force d'attraction diminue avec le carré de la distance... Il est important de tout faire pour minimiser cette course.

Circuits de commande :
Nous avons vu que nous utilisons
5 contacts pour la commutation
des batteries.
Nous utiliseronségalement 2
contacts pour la commutation du
panneau solaire. Nous aurons pour
ce dernier un pouvoir de coupure
de 20 A largement suffisant
puisque cela correspondrait à un
panneau de 240 Watts.
Afin d'utiliser au mieux le panneau
solaire il est logique de créer un
alternat entre les deux batteries en
mettant l'une en utilisation pendant
que l'autre est chargée par le
solaire.
Le dernier contact servira
d'information pour connaître dans
quelle position se trouvent les
relais de puissance.
Il est utilisé en association avec les relais de mémorisation de position. Ce sont des relais miniatures à 2RT de
type "OUB" marque "Original". Je ne sais s'ils existent encore mais on trouve des modèles similaires un peu
plus grands que ceux que je cite, par exemple ici :
Ci-contre le circuit imprimé avec les relais auxiliaires. -------->
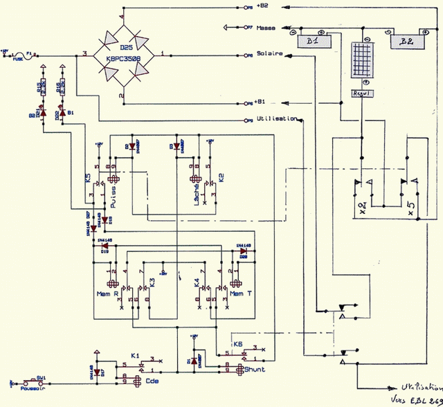
A quoi servent le "Relais shunt" et le "Pont redresseur" ?
Le relais shunt est de type "TEC N ° 24" à 3RT et similaire à ceux-ci : avec un pouvoir de coupure de 8 A et une
surcharge possible de 250 A pendant 30 ms.
Lorsque les relais de puissance commutent, il existe un bref instant où les contacts mobiles sont "en l'air" c'est à
dire en contact ni avec la position repos ni avec la position travail. Cela engendre une mini coupure. Elle peut être préjudiciable à certainséquipements et je pense en particulier à la vanne de sécurité du chauffage qui peut
s'ouvrir et, si la pompe est sous tension, vider la réserve d'eau...
Il faut donc un système quiévite cette coupure
intempestive. C'est ce que fait le relais shunt qui connecte,
par l'un de ses contacts, le point 3 du pont redresseur sur la
connexion "Utilisation" qui va vers le bloc EBL 269. Ainsi
et sans les mélanger, les batteries B1 et B2 assurent
l'alimentation du circuit d'utilisation au travers de diodes.
C'est bien sûr la plus chargée qui fournira l'énergie.
Les oscillogrammes joints (relevés pour un seul contact inverseur) montrent l'action du système. A gauche sans
pont et à droite avec pont. Le léger décrochement de tension est dû au seuil de diode introduit par le pont tandis
que, sans pont, on voit bien la coupure qui a lieu durant 15 ms ainsi que les rebonds de fermeture de contact.
Il faut aussiéviter que le panneau solaire ne se trouve sans charge. En reliant le point 1 du pont sur sa
connexion positive (3ème contact du relais) on assure un débit sur les deux batteries, viaégalement 2 diodes qui
emp êchent tout courant de boucle. On peut alors remarquer que l'ensemble des quatre diodes concernées
constitue un pont par rapport aux batteries B1 et B2.
Quant au premier contact près de la bobine c'est celui qui valide l'attraction des relais de puissance et de
déverrouillage si ce dernier doit être sollicité.
Le point 3 du redresseur permet aussi de récupérer l'alimentation nécessaire au système de commutation soit à
partir de B1 ou de B2, suivant celle qui est la plus chargée.
Les courants d'utilisation et du panneau solaire peuvent avoir des valeurs relativementélevées ce qui justifie
d'utiliser un pont de puissance. Il s'agit ici d'un 25 A référence KBPC3508.
Remarques :
Fonction des relais de Commande, de Mémoire, et du microcontact :
Tout d'abord je précise que l'ensemble du système fonctionne sur impulsion, comme un télérupteur.
Les relais mémoires permettent de savoir, suivant la position dans laquelle se trouvent les relais de puissance, si
l'on doit actionner le relais de déverrouillage (cas d'un retour en position repos) ou non (cas d'un enclenchement
en position travail).
L'ensemble du système est contrôlé par le relais de "Commande" qui reçoit les impulsions du m ême nom. Il
s'agit d'un relais référence "V23072" non capoté. On peut le trouver ici :

L'exciter alimente le relais "Shunt" pour les actions décrites plus haut, ainsi que les relais mémoires qui vont se
positionner en fonction de l'état des relais de puissance et ce, juste avant que ces derniers soient sollicités. Les
deux relais mémoires s'auto maintiennent (contact 6-7-8) et s'inter verrouillent (contact 3-4-5)électriquement.
Ceci permet de conserver l'information initiale mémorisée de position après que les relais de puissances auront
changé de position.
On remarquera que, si le relais "Mem R" s'enclenche, il interdit le collage du relais de "Lâché" en ouvrant le
contact entre 7-8. Ainsi les relais de puissance s'enclencheront et seront verrouillés par la guillotine. Au
contraire, si "Mem T" vient au travail, les relais de puissance seront excités, mais aussi celui de "Lâché". Et
c'est ici qu'intervient le micro contact de ce dernier qui coupera l'alimentation des relais de puissance qui
retomberont. On trouve ici ce genre de micro contact :
Dans chaque cas la fin des opérations est contrôlée par la retombée du relais de commande.
Remarques :
Consommation :
Le système consomme au repos de l'ordre de 20 mA. Il nécessite par contre un courant de pointe pouvant
atteindre 2 A pour commuter, cette consommation ne durant que le temps du maintient du relais de commande.
Câblage des contacts :
Onévitera un câblage comme celui présenté dans le cliché supérieur car il
répartit le courant dans les divers contacts de façon non homogène en
surchargeant le premier et en distribuant les autres de façon dégressive.
On pourrait alimenter la barre de distribution au niveau du contact se trouvant au
milieu de la chaîne, ce qui minimiserait les déséquilibres vers les contacts
adjacents. Cela resterait toutefois non entièrement satisfaisant.
Le deuxième cliché assure des circuits avec une homogénéité correcte à partir du
moment où les conducteurs utilisés sont de sections (1,5 mm²) et de longueurs
identiques. Seule une connexion est représentée.
La sectionéquivalente est donc
de 5 fois 1,5 = 7,5 mm² pour les circuits batteries et de 2 fois 1,5 = 3 mm² pour le
panneau solaire.
L'ensemble des conducteurs est associé dans une borne de connexion type"sucre" qui reçoit le conducteur correspondant extérieur.
Cette deuxième solution est celle que je recommande.
Electronique de contrôle :
Le circuit imprimé supporte, en plus des relais de commande, toute l'électronique d'automatisation avec
contrôle du niveau de charge des batteries, comparaison de la position des relais de puissance par rapport à celle
nécessaire, contrôle de situation du véhicule (arr êt, présence secteur, roulage), alternat de commutation pour la
charge des batteries en fonction des circonstances, et commande de sélection par l'utilisateur sur B1, B2 ou
position automatique.
Cependant, je ne développerai pas ce domaine dans cet exposé qui, comme je l'ai dit en début, ne veut
décrire que l'élément bistable de commutation de fort courant ( la partieélectronique aété ajoutée 04/2011 en dessous de l'article mécanique).

Modification des contacts des relais de puissance :
Les relais que je possède ont des contacts inverseurs mettant en oeuvre deux contacts en série pour chaque
inverseur (photo de gauche). Ce système permet d'avoir des palettes indépendantes des socles mais a le gros
défaut de doubler la résistance de contact. Par ailleurs le réglage de la pression des contacts est des plus délicat.
J'ai donc modifié le système en supprimant un des contacts et en assurant la liaison du commun par une tresse.
Le principe consiste à couper le contact extérieur à milongueur, à supprimer le grain serti sur la partie fixe
extérieure et à réunir les deuxéléments par une tresse
souple(photo de droite).
Cette modification fait que les sorties d'origine des
contacts repos et commun sont permutées. Celle du
contact travail n'est pas modifiée.
Avantages :
Le circuit ne comporte plus qu'une seule
résistance de contact. La pression exercée par les
ressorts est entièrement appliquée sur un contact au lieu
de deux. La fiabilité des contacts et la facilité de
réglage sont nettement améliorées.
Vu de l'ensemble monté :
Ces trois vues montrent le système
complet. Il est bien sûréquipé de toute
l'électronique d'automatisation (répartie
sur un ensemble de 3 circuits imprimés)
non décrite dans cet exposé.
Sur la vue du bas on peut apercevoir la
bobine verte de déverrouillage de la
guillotine montée sur le circuit imprimé
principal, les allonges magnétiques et
trois colonnettes qui serviront à fixer
l'ensemble sur la plaque de fond du
boîtier.
Le relais de commande et ceux
de mémorisation sont visibles en bordure
et extrémité droite du circuit principal.
L'ensemble est compact mesurant 125
mm de long, 85 de large et 80 de haut
Voil à donc un COMMUTATEUR 50A BISTABLE DE BATTERIES, à VERROUILLAGE MECANIQUE, CONSOMMANT 20mA au repos. Il permet d'envisager une automatisation complète des fonctions de charge et l'utilisation de deux batteries de cellule non identiques. Ilévite les coupures du circuit d'utilisation au cours de la commutation et la surcharge de l'alternateur du véhicule.
Quelques vues du commutateur terminé :
Les clichés ci-après montrent le commutateur complet dans sa boîte. Elle est en aluminium de 2mm d'épaisseur,
assemblée par rivets pop. Dimensions finales : 147 x 102 x 97 plus 18 mm de chaque côté pour les fixations.
La vue arrière permet de voir les sucres de connexion et le câblage avec les contacts des relais de puissance
suivant la méthode retenue et expliquée dans le paragraphe "Câblage des contacts".
Un couvercle tenu par deux vis permet de fermer l'arrière ne laissant apparaître que les vis basses des sucres.
Les symboles de "Danger" correspondent à la possibilité de détecter la présence secteur directement à partir du
230 volts qui est dans ce cas connecté sur deux broches à l'arrière du boîtier. Mais cela fait partie de
l'automatisation du système...

Principes utilisés , rappel :
Synoptique fonctionnel :

L'élément central est un comparateur de position. Son rôle est de comparer la position du commutateur de puissance à celle demandée par les circuits de commande. Si la position demandée correspond à celle du commutateur aucune action n'est entreprise. Dans le cas contraire une demande de basculement des relais est générée.
Elle est crée via un "ET" logique qui regroupe l'information du comparateur avec une horloge à 2 Hz. Ce principe permet, en cas de disfonctionnement, de créer une nouvelle impulsion de commande.
Le comparateur de position reçoit des demandes de trois origines différentes :
Sélecteur manuel de position :
Il permet de choisir de mettre en mode utilisation la batterie B1 ou B2 ou bien de laisser le
système en mode Automatique.
Comparateur de tension B2 :
Il surveille la tension de B2 afin de commuter sur B1 lorsqu'elle atteint 11,5 volts puis de repasser sur B1 lorsqu'elle revient à un minimum de 12,8 volts après avoirété rechargée par le panneau solaire.
Séquenceur d'alternat :
Dans le cas ou l'on dispose d'une connexion au secteur 230 volts ou bien dans le cas ou le véhicule roule, le système passe sur un cycle de charge alterné sur chacune des batteries. Environ 17 minutes sur l'une puis 17 minutes sur l'autre. Au départ la séquence commence par un positionnement sur B2.
L'action du séquenceur est validée par l'information de "Présence secteur" ou le "+D" du véhicule alors que le comparateur de tension B2 n'agit que si aucun de ces deux signaux n'est présent.
Enfin un comparateur de "Sécurité" surveille la tension d'alimentation de l'électronique de commande. Il bloque le fonctionnement du commutateur dans le cas ou les deux batteries sont déchargées à un point tel qu'elles ne permettent plus d'assurer un fonctionnement correct.
Les deux comparateurs de tension sont des comparateurs à seuils de basculement. Ils sont pilotés à partir d'une tension de référence réglée à 7,14 volts issue d'une diode zener ce qui permet de stabiliser le fonctionnement du système par rapport aux variations de tension des batteries.
Explications du schéma : (On reconnaîtra sur la partie droite les éléments décrits dans le système de commutation)

Le comparateur de position Il est assuré par la porte "OU Exclusive" "U5c" laquelle reçoit d'un coté les demandes de position (broche 9) et de l'autre, l'information de la position actuelle du commutateur de puissance (broche 8). La porte "U5b" est montée en inverseur, le signal de position ayant été pris préférentiellement sur le contact travail du relais (broche 1).
La porte "U5a" a pour rôle d'introduire dans le circuit de demande de position le forçage manuel issu du commutateur. Les demandes de position sont regroupées sur l'entrée 2 de cette dernière par un "OU" constitué des diodes "D4", "D7" et "D18". Cette porte est inverseuse ou non suivant le signal appliqué sur son entrée 1, ce signalétant fonction de la position du commutateur de sélection. Elle est non inverseuse pour les positions "Auto" et "B1" et inverseuse pour la position "B2".
La sortie de "U5c" est regroupée dans une porte "NOR" "U3b" avec le signal d'horloge à 2 Hz (broche 5). La sortie de "U3b" commande le transistor "Q1" qui commande le relais déclenchant le processus de basculement du commutateur de puissance.
Comparateur de tension de B2 :
Il est réalisé par l'amplificateur opérationnel "U4a" (LM358).
Ce comparateur reçoit l'image de la tension de "B2" via le diviseur "R4", "R13" avec un filtrage de parasiteséventuels assuré par "C6". Les seuils de basculement sont définis à partir d'une tension de référence de 7,14 volts appliquée sur le diviseur "R3", "R18", lui-m ême modifié par la sortie du comparateur au travers deséléments "R19", "R20" et "D5". "D5" permet de limiter l'excursion haute de sortie du comparateur par rapport à la tension de référence afin de stabiliser le seuil haut par rapport aux variations de la tension d'alimentation du système.
La sortie du comparateur passe au travers de la porte "U3d" dont le rôle est de valider cette source de commande lorsque le véhicule est à l'arr êt et sans alimentation secteur. "U5d" qui suit assure l'inversion du signal pour attaquer correctement le "OU" à diodes via "D4".
Séquenceur d'alternat :
La base en est le compteur "U1" qui est un diviseur par 2048. Attaqué sur son entrée 10 par un signal d'horloge d'environ 2 Hz il délivre sur sa sortie Q11 (broche1) un signal cyclique de 17 / 17 minutes. Très exactement l'horloge devrait être à 2,008 Hz pour obtenir 17 minutes. Ce cycle est approximativement de la valeur décrite et ne nécessite pas de précision plus importante.
La séquence démarre toujours sur B2. Le séquenceur n'est actif que si sa broche de reset (broche11) est au niveau "0" ce qui veut dire que les entrées "+D" ou "Présence secteur" soient au niveau "1" ("U3a" inverse le signal).
Horloge 2 Hz :
Constituée de la porte "U3c" et deséléments "R12", "C5".
Comparateur de sécurité :
Il est réalisé par l'amplificateur opérationnel "U7a" (LM358).
Son fonctionnement est identique à celui du comparateur de tension de B2. Il contrôle la tension d'alimentation via le diviseur "R26", "R27" avec filtrage par "C10". La tension de référence est issue du m ême 7,14 volts via "R25" et "R28" et les seuils sont définis par leséléments "R29", "R30" et "D28". La porte "U6d" permet d'obtenir un signal de niveau correct pour commander "Q3" et "U6c" assure le blocage de l'horloge via "D29". L'horlogeétant bloquée en niveau bas de sortie elle emp êche toute action sur le relais de commande en forçant au niveau 1 la sortie de la porte "U3b".
Référence de tension :
A partir d'une diode zener de 6,2 volts ("D26") l'amplificateur opérationnel "U4b" génère une tension de référence de 7,14 volts utilisée pour les comparateurs de niveaux de tension. Cette référence est nécessaire pouréviter que les seuils de basculement varient avec la tension d'alimentation fournie par les batteries.
Présence secteur :
Elle peut être obtenue via le transformateur secteur et le système redresseur avec le filtrage associé. Les
éléments sont "T1", "D9 à D12", "C8", "R6" et "C9". La tension obtenue est appliquée via "D14" sur les
entrées 1 et 2 de "U3a". La diode "D13" limite la tension de commande par rapport à l'alimentation du
système commutateur.
Remarque : L'information de présence secteur peut aussi être obtenue à partir du bloc "EBL 269" du véhicule par la broche 6 du bloc 5. Dans ce cas leséléments décrits ci avant ne sont plus nécessaires, hors mis la diode "D13" que l'on conservera par sécurité en protection des entrées de "U3a".
Signalisations :
Quatre diodes leds assurent les signalisations suivantes :
Constante de temps :
La capacité "C10" de valeur relativementélevée (470 µF) est nécessitée pouréviter un basculement du
comparateur associé, lors des sollicitations de basculement des relais.
La consommation du système, de l'ordre de 20 mA au repos, passe à 1,5 à 2 A lors des commutations.
Une telle variation de courant se traduit par une chute provisoire de tension d'alimentation qui déclenche
le comparateur inhibant ainsi le cycle de commande. Le système se met alors à "battre" suivant la
fréquence d'horloge pour tenter de commuter et "C10" a pour rôle d'emp êcher cette manifestation
parasite. Les diodes "D30" et "D31" semblent faire double emploi avec le pont "D25" mais elles sont là
pour minimiser le phénomène en ne rajoutant pas la variation du seuil des diodes du pont lors de l'appel
de courant de commutation. Sans quoi "R27" aurait pu être connectée directement en 3 de "D25".
Ensemble des Circuits imprimés :

Trois circuits se partagent le support de l'ensemble de l'électronique.


Celui de gauche regroupe les composants situés dans l'enceinte
pointillée du schéma de principe.
Celui du centre regroupe la signalisation et la commutation
manuelle.
Celui de droite comporte le reste de l'électronique. On y retrouve
les trois relais dont il avaitété question dans le descriptif de
réalisation du commutateur bistable de 50 Ampères.
L'ensemble est monté comme le montre le cliché ci-dessus.

Connexions arrières du bloc de commutation : On peut distinguer les connexions de puissance "+" et"-" pour "Batterie1", pour "Batterie2", pour "Panneau solaire" et pour "Utilisation". Des conducteurs de section minimum de 6 mm² sont à prévoir, 10 mm²étant préférable.
Tout à droite se trouvent les commandes "+D", "Présence secteur" (si prise sur le bloc "EBL 269") ou entrée 230 volts (pour détection directe de la présence secteur).
Quelques vues de l'installation dans le véhicule :
Deuxième batterie cellule

Ci dessus , l'installation de la deuxième batterie, dans le coffre à coté de l'entrée.
Elle est bloquée au sol par des cornières boulonnées au travers du plancher de la cellule et maintenue par une sangle.
Ne pas oublier qu'une telle batterie pèse de l'ordre de 30 kg et, qu'en cas de coup de frein brusque, elle représente uneénergie conséquente (E = ½ M V²) pouvant sans difficulté enfoncer les cloisons du coffre. D'où la nécessité impérative d'une fixation sérieuse.
Commutateur 50 Ampères
Ce cliché montre le commutateur de batterie installé à proximité du bloc "EBL 269".
L'ensemble se trouve dans la soute, sous le lit, où le bloc "EBL 269" est installé d'origine.
Il estévident que le positionnement du commutateur à cet endroit est le plus souhaitable vu les liaisons de puissance à effectuer avec le bloc d'origine, le commutateur s'intercalant entre les batteries et ce dernier.
nota : La consommation citée de 20 mA concerne le système complet avecélectronique d'automatisation . Le commutateur tel que présenté consomme de l'ordre de 5 mA consommé par les diodes LED de signalisation notée B1 et B2. Sans signalisation la consommation est nulle au repos.

Voici une modification qui permettra d' être parfaitement autonome en chargeant de temps en temps la batterie moteur avec les panneaux solaires de la cellule.
M ême si le bouton "charge solaire" est resté en fonctionnement, lors que vous serrez branché sur le secteur le système délivrera un +12V de commande et la batterie moteur se chargera par le chargeur du CC donc aucun danger.
Il suffit de penser à couper le bouton "charge solaire" après une durée d'environ 5 heures, cela aura pour effet de redonner un peu de vigueur à la batterie moteur et de démarrer sans soucis le CC surtout quand la température est négative....
Les figures suivantes représente le schéma du montage et le circuit imprimé, mais à vous de voir comment le faire.

Voici le schéma de principe.
Le circuit logique est un quadruple NAND (non-et) du type CD4011.
Le but est de simuler une commande "Line" venant du chargeur secteur de batterie, afin que la Centrale permette la charge de la batterie moteur comme si c'était le chargeur secteur qui fonctionnait.
Mais dans cette situation (entrée E2), j'envoie un +12V via un petit interrupteur sur l'entrée E2. La led jaune s'allume et en S1 (sortie vers Centrale) j'ai un signal de 12V sur la Centrale au niveau "line" ce qui a pour effet de commuter le relais interne de la Centrale afin de mettre la batterie moteur en charge dans le circuit.
Gagné notre batterie moteur va reprendre un peu d'énergie.
Pour ce qui est du montage, j'ai utilisé un morceau de circuit imprimé et j'ai installé le tout sous le siège passager à côté du Chargeur secteur de batteries. Mais attention ce montage est spécifique aux Laïka Ecovip2.
le modèle de chargeur est : marque : NORDELETTROCINA Type : NE 186 300W .
Je ne connais pas les autres Centrales de CC, donc à vous de voir si la centrale de votre CC est semblable à celle de l'Ecovip2 et qu'elle possède cette fameuse commande de charge batterie moteur.![]() La Centrale derrière le siège passager |
![]() |
![]() Le chargeur de batterie et la commande de charge solaire de la batterie moteur |
![]() |
Bonne Bidouille et bon courage. ALBATROS28


Batterie solarwatt d'alden de 100 A qui n'avait pasé été nettoyé depuis 2 ans , cette batterie est fixé dans son logement en métal zingué sous le plancher du camping car.

Retirer la batterie de son logement , après avoir fait un dépoussiérage de l' extèrieur , nettoyez les cosses avec du papier de verre fin et graisser légerement celles-ci , dévissez les 6 bouchons et vérifiez le niveau d'acide et faire le complément d'eau distillé si nécessaire .
Cette batterie solarwatt à 5 ans et est en parfaitétat de fonctionnement ,il existe quand m ême un léger sulfatage sur les plaques de plomb , mais qui ne nécessite pas une rénovation .
Mon camping car est toute l'année dehors donc en recharge permanente avec les panneaux solaires l'entretien des batteries se résume donc au nettoyage de l'ensemble .
Toujours sur mon vieux challenger, la batterie cellule (avec entretien) se trouve sous le siège conducteur et
par conséquent, difficile d'accès. Afin de vérifier le niveau d'eau dans la batterie, il me fallait retirer les deux
plaques de bouchons et à force, celles-ci se sont cassées. J'ai donc mis six bouchons verseurs droits
munis d'un petit bouchon à l'extrémité.
Pour faire les vérifications, il suffit de ne retirer que ces petits bouchons, d'y introduire le tube transparent
pour contrôler le niveau.
Sur la bouteille d'eau déminéralisée, j'ai adapté un autre bec verseur, cette fois-ci un peu courbé et fixé un
tube flexible transparent (tube que l'on trouve au rayon aquarium).
Pour ajuster le niveau d'eau, il suffit alors d'introduire le tube de la bouteille et le tour est joué, puis de
revérifier le niveau.
Mais les photos parlent mieux que moi !
![]() |
![]() |
MOBITRONIC Battery Refresher
Prolonge la durée de vie des batteries à l'acide et
plomb. Il suffit de le brancher sur les pôles plus et moins
de la batterie.
Ce rénovateur de batterie est en vente chez narbonne accessoires sous la réf : 716021
waeco mobitronicPour les camping car qui hivernent dans un garage , il vous faut débrancher vos 2 ou 3 batteries , moteur et cellule etéffectuer une recharge tous les mois ( recharge classique au 1/10 de la capacité de la batterie avec le contrôle d'un voltmètre ) , de façon à ce quelles soient toujours bien chargées ( précaution utile en cas de gel ), il existe aussi des chargeurs que vous pouvez laisser branchés en permanence (floating ) qui rechargent continuellement avec une intensité très faible ( quelques modèles ci-dessous ) .
Chargeur floating quick SBC 140 12V 12A 2S disponible chez pro ship
Chargeur de batterie solaire Hi-Tec 500W-1000W, 12V / 40A site surtec
Une
alternative interessante .
CHARGEUR AUTO ACCU PB 12V/6A
Quand la tension finale est atteinte le chargeur
s'arr ête automatiquement
Elle reprends quand la tension descend sous 13,8V ( le m ême
système que le panneau solaire ) , votre batterie peut restée
branchée en permanence durant l'hivernage .
Chargeur Ctek ,un des meilleurs actuellement voir descriptif >
En promo actuellemnet 47.95 € réf
:250 180 site
conrad
un chargeur floating de qualité 95 € ( photo de droite
) chez top accessoires
Et pour ceux qui veulent bricoler leur petit chargeur , il en existe un qui ne comprends que peu d'éléments doncéconomique sur ce site
Rappel : la charge normale d'une batterie est de 1/10 ° .
En floating la charge préconisée est de 1/50 ° de la capacité de la batterie, c'est à dire pour 100A 2A de charge continu , si vous rechargez au 1/100 ° c'est à dire 1A cette charge maintiendra votre batterie enétat , si elleétait bien chargée au départ .
voir aussi les pages :

Sulfbatt est un revitalisant des batteries :
- Elle permet de réduire sérieusement la fréquence de renouvellement des batteries,
- Aide fortement au maintien opérationnel de l'équipement,
- limite la pollution liée à la mise au rebut d'une batterie au plomb toxique pour la nature.
Gagner sur le coût d'exploitation :
Sulfabatt redonne vie à des batteries "Hors-Services", une batterie non utilisée durant plusieurs mois, comme sur les campingcars . www.regenebatt.com


montage du sulfabatt sur vieille batterie alden 100A ( 14/02/2005 ) qui a subit une décharge profonde


Résultats des tests 06/2009 :
la batterie au départ ne voulait plus se recharger ( avec Cteck 7000 ) quelque soit le mode de charge .
un test avaitété fait sur cette batterie alden 100A acheté 14/02/2005 encore enétat le (02/05/2007) 12hx5A = 65A

Commentaires :
Message de jean : je viens d' acheter une batterie 115 amperes à décharge lente 114 euros transport compris trouvé sur ebay en promo d'hiver j ai telephoné.. envoyez un cheque le lendemain il me telephonait pour me confirmer la reception et que je recevrais la commande vendredi ce matin reception tout ok tres belle marchandise tout cela dans la semaine voil à les coordonnees...BATTERIE MEGASTORE SARL..MUOEN 350 RUE L.ODON 14790 TEL 02.31.75.07.97 ...5/02/2010
Message de gérard : Bonjour, à propos d l'entretien de la batterie cellule, je voudrais signaler que 1 ° cette batterie est très difficilement accéssible en général, et 2 ° chez Green Power par exemple, ils indiquent "batterie sans entretien"...Mon oeil! Ma batterie qui a 2 ans vient de flancher, je vérifie, elle est complètement sèche ! Bonjour la garantie. 02/2011
Message de victor : Comme batterie auxliaire , j'utilise deséléments cadium nickel réformés de l'aéronautique . Performances et longévité incomparablement plusélevées que les meilleures décharges lentes, entretien très minime.. 22/07/2013
Message de paul : bonjour,dans le temps je régénérais mes batteries,(1)je vide la batterie je la rince 2/3 fois,(2)je prépare une solution eau + calgon (3)je remplis la batterie et laisse faire le mélange eau/calgon de 10 a 30 minutes ou voir plus ensuite (4)vider et rincer la batterie 2/3 fois (5)je remplis d'électrolyte (6)je charge la batterie a 2 ampéres et le tour est joué,cout trés modeste. 14/09/2013
si vous avez un commentaire à formuler , , je le rajouterais sur la page