| Le GPS (Global Positioning
System) est le système de positionnement par satellites institué
et financé par lesétats-Unis. Un réseau de
24 satellites transmet en permanence des signaux radio contenant
des données relatives au temps et à la distance, et
pouvant être captés par n'importe quel récepteur
GPS afin de permettre à son utilisateur de repérer
sa position en tout point sur la terre.
Le développement du GPS a commencé
en 1973 avec NAVSTAR (NAVigation System with Timing And Ranging)
. En 1978, le Département de la Défense américain
lança le premier satellite GPS à accès sélectif
(Selective Availability [SA]), ou dégradation volontaire
des signaux GPS, pour priver seséventuels adversaires militaires
de toute utilisation des données de positionnement de haute
précision. Le SA limitait la précision du GPS à
100 mètres pour tout utilisateur autre que les forces armées
desétats-Unis. La constitution du réseau de satellites
aété achevée avec le lancement du 24ème
satellite en 1994. Des satellites de remplacement continuent d' être
lancés, chacun ayant une durée de vie d'environ 10
ans.
Le 2 mai 2000, le code SA aété
désactivé par la présidence américaine,
donnant à tous les récepteurs GPS une précision
potentielle de 15 mètres sans correction de signal. Les signaux
sont disponibles 24 heures sur 24, quelles que soient les conditions
météorologiques, n'importe où dans le monde.
En utilisant des récepteurs compatibles WAAS ou EGNOS, la
précision du GPS est portée à 3 mètres.
Conçu par le Ministère de la Défense
des Etats Unis d'Amérique pour un usage militaire, le système
aété rendu accessible aux civils, pour un emploi
dans l'aviation, la marine et pour les marchés généraux
des activités d'extérieur et de loisirs.
Le GPS consiste en une constellation de 24 satellites
qui orbitent à environ 20 000 Kms de la terre.
Ces satellitesémettent des signaux contenant
des données d'heure et d'orbites pour calculer la position
satellite et des données d'almanach. Le récepteur
GPS a besoin d'acquérir des signaux suffisamment forts provenant
d'au moins trois satellites pour pouvoir déterminer une position
à la surface de la terre. Un quatrième signal est
nécessaire pour obtenir une position en trois dimensions,
ce qui détermine la hauteur ou l'altitude.
Image satellite de
l'institut du colorado , Image de peter H Dana 22/09/98 |

positon gpsété
|
position gps hiver |
|
Gps
Garmin street pilot III
Rien n'est indispensable (
j'aime bien tout ce qui touche à l'éléctronique
et je suis toujoursémerveillé de voir ce genre
de prouesse technique ), mais le GPS est
une belle invention , il facilite grandement le pilotage dans
les grandes villes en france , mais aussi à l'étranger
.Ce GPS comporte une carte de l'europe que l'on
peut rentrer à l'aide d'un ordinateur par
morceaux ou entièrement si on a suffisamment de place
sur sa carte mémoire d'origine 128 mo ( actuellement
512 mo ) . Par exemple si l'on fait un voyage en autriche
on peut rentrer son itinéraire et toute la carte necessaire
au voyage , pour ceux qui n'ont pas d'ordinateur
un ami peutéffectuer le travail , il y en a pour quelques
minutes.
Le gps est livré avec tout
le nécessaire . |
|

Liaison entre pc et carte mémoire
en usb , pour le chargement des cartes . |

Liaison série entre
pc et gps pour le transfert de données gps -- >
pc ou pc --> gps . |
|
 A
gauche itinéraire généré
par l'ordinateur , c'est beaucoup plus pratique
et cela permet d'éffectuer des modifications
des détours ,par ex pouréviter une ville ce
que le gps ne peut pas faire , celui-ci détermine un
trajet avec autoroute ou sans ou le plus rapide , le plus
court etc , mais dans l'ensemble l'itinéraire
une foisétablie il est très difficile de le
modifier voir impossible .
Que vous ayez le garmin ou d'autres
marques m ême les plus chères le système
de conception d'itinéraire est le m ême
c'est à dire pas toujours cohérent il
vous envoie parfois sur des petits chemins de campagne ou
par des petites rues en ville et l à grosse sueur n'est
ce pas jacques.
Le garmin lui permets de faire son trajet
avec l'ordinateur en quelques clics et de le transférer
sur son GPS , donc d'un usage beaucoup plus souple.
Voici un exemple à droite
d'itinéraire générer avec
l'ordinateur en haut droit , il passe par le centre
ville les rues sontétroites en un clic à droite
on a déplacé l'itinéraire par le
bd extérieur
On peut donc se faire un itinéraire
aux petits oignons.
De plus ce GPS est le moins cher de sa
catégorie , je l'utilise pour ma part depuis
sa sortie c'est à dire 10/ 2002 à l'époque
il n'était pas disponible en france et je l'ai
acheté au luxembourg (adresse dans les liens)
J'ai déja eu deux autres gps
de randonnées ceux l à , de marque garmin , je
connais bien la marque et sa fiabilitée.
Autre point intéressant il est programmé
avec une carte du monde avec peu de détail
, mais ç à peut vous permettre de naviguer au
maroc par ex en prenant les grands axes j'ai un ami
qui a un gps haut de gamme très cher , il est obligé
d'acheter la carte de l'afrique .
|
 |
|
 |
 Autre
point très intéressant de ce gps la gestion
des Waypoints. Le Waypoints est un marquage des endroits
dont on veut se souvenir (par ex : points eau , parking ,
adresses de la famille , d'amis etc..
Pour marquer un point il suffit d'appuyer
2 secondes sur ‘enter' et lorsque que vous êtes
au repos il vous suffit alors de renommer ce point et d'y
mettre une petite icone pour le reconnaître.
Pour retrouver ce repère , il suffit
d'aller sur ‘find' puis waypoints et d'appuyer
sur ‘rallier le point' ,et votre gps vous trace
la route.
Avec votre ordinateur ou votre portable
vous pouvez envoyer un message de vos coordonnées à
vos amis. |
|

Quelques
copies d'écran du GPS garmin street pilot III
|
1 ° appui sur menu |
Règlage général |
|

Règlage guidage |
>
Règlage route |
|
Règlage heure |
Règlage journal de trace |
|

Règlage langue |
Page acquisition de satellites |
|

2 ° appui sur menu ( menu principal
) |

Info sur la version du logiciel
interne qui peut être mis à jour gratuitement |
|
Infos sur les cartes chargées en mémoire ,
mise à jour de l'europe suivant la carte mémoire |
Recherche interne points adresses ville ... |
|
>
Recherche de waypoints |

Sélection du waypoints et départ de route |
|

Préférences pour
le trajet |

La route est tracée vous
êtes pr êt. |
|

Arrivée à un rond
point distance et route
En visuel et vocal . |

Autre déviation |
|

Méthode
pour enregistrer manuellement les waypoints sans ordinateur sur le
GPS garmin street pilot III |
- 1 ° appuyer sur menu et mettez le gps
en position intérieur .
- 2 ° appuyer sur enter 2 secondes pour
marquer un waypoints ( si vous voulez en entrer plusieurs
appuyez autant de fois que vous voulez. |
 |
|
Waypoints marqué , il vous reste à remplir
la case d'objet celle du nom et des coordonnées
, tout cela avec les touches centrales et enter . |
3 ° à l'aide
des touches de directions centrales entrez dans chaque case
pour modifier son usage son nom ses coordonnées . |
|
4 ° dans la 1 °
case appuyez sur enter et choississez une icone correspondant
à l'usage( ici point d'eau ), puis de m ême
avec le nom ( essai ) et de m ême avec les coordonnées
de position .ensuite appuyer sur quit votre
waypoint est enregisté . |
Pour le retrouver , faites find puis
waypoints ensuite enter et cherchez votre création
en l'occurence ESSAI , et dirigez vous
vers ce point . Vous voyez que ce point mis au hazard est
au sud et à 115 km de chez moi . |
|
| Manuellement on peut
rentrer une vingtaine de points assez rapidement , naturellement à
l'aide de l'ordinateur c'est plus simple , il suffit
de marquer vos waypoints sur la carte et ceux-ci sont crées
automatiquement , on peut entrer aussi les waypoints à l'aide
d'une boîte de dialogue et transférer le tout au
gps à l'aide du cordon de liaison série ou usb
fourni .
Avec le logiciel mapsource fourni et la carte de l'europe
, on peut exporter ces waypoints sous 5 formats différents
:
- base de données garmin gps .gbd
- fichiers mps .mps
- fichier texte .txt (
pour ceux qui ne peuvent rentrer les données que manuellement
)
- fichiers dxf .dxf
- format gps exchange .gpx
Vous voyez l'int êret du gps , lorsque je vous donne
les waypoints d'espagne ou du portugal , vous n'avez
plus qu' à les rentrer dans votre gps manuellement ou
à l'aide de votre lociciel et de l'ordinateur
, et vous partez déja plus confiant avec des points de repères
précis de points d'eau ou d'aires de stationnement
qui ont déjaété testés .
J'aimerais bien que vous me transmettiez le maximum de waypoints
de l'europe que vous possèdez ( eau et aires ) pour
pouvoir les faire paraître dans ce site , afin que tout le
monde puisse en profiter ( aux formats ci-dessus .gbd ,.txt , .gpx
). |

|
Les plus :
- le prix
- la portabilité
- La liaison ordinateur gps
- La mise en oeuvre immédiate
- La bonne cohérence des routes générées
|
Les moins :
- Pas de batteries ni chargeur
- Livré en 2002 avec 128mo de mémoire
En 2004 avec 512 mo de mémoire et - de 900 euros |
|
| Mon avis : un GPS
excellent ( et je ne suis pas sponsorisé ) , mais l'évolution
avance à grands pas et il existe maintenant de nombreux gps
et pocket pc gps , avoir un gps qui peut être relié
à un ordinateur est quand m ême un grand plus .
|

|
Une alternative très interessante le pocket pc Mitac mio 168 gps  |
 |

Une alternative très
intéressante ,ce pocket pc , petit , fiable , ergonomique
, portable d'un véhicule à un autre ,
reliable au pc et d'un prix très raisonnable
. |
|
| Ce pocket pc accepte
différentes cartes de navigation , Via Michelin , tomtom
..... Ci-dessous vous trouverez un compte rendu de l'utilisation
et de la prise en main de tomtom navigator 5 . |

|
|
TOMTOM
Navigator 5
|
Contenu
du pack :
- 1 documentation
- 1 carte code produit
- 1 CD application et manuel complet
- 6 CD de cartes europe ( 18 pays )
CD1 - benelux 62/107 mo ( carte simple / avec plus de détails
)
CD1 - Grande bretagne 111/208 mo
CD2 - scandinavie 203/301 mo
CD3 - allemagne autriche suisse 220/414 mo suisse 108 mo
CD4 - France 255/347 mo
CD5 - italie 200/309 mo
CD6 - espagne portugal 111/227 mo
Démarrage initial : (
avec un pc relié à internet , le démarrage
peut- être fait aussi avec un tél gprs blutooth )
1 ° insérer la carte mémoire SD de 512 mo
mini synchroniser votre pda au pc ( avec activesyncro dernière
version téléchargé sur le site microsoft
)
2 ° avec le CD application , installez TOMTOM 5
3 ° insérer le CD4 par ex et installez la carte de
france ( 1h environ entre pc et pocket pc )
4 ° lancer tom tom et suivez les indications ( une fois paramétré
sur l'écran du pocket pc vous avez d'inscrit
le code périphérique )
5 ° avec votre pc allez sur le site http://www.ttcode.com
, entrez votre code produit et votre code périphérique
, le site vous donne maintenant un code d'activation
de la carte
6 ° vous sélectionnez activer sur le pocket pc et
vous entrez le code d'activation
Voila , c'est terminé ( mais ce n'est quand
m ême pas simple ) |
Différents
écrans du pocket pc |
Voila l'écran de démarrage de votre
pocket pc , sur l'écran vous voyez clairement
le logiciel TOM TOM installé .
Pour lancer l'application il vous suffit de pointer
votre stylet sur l'icone tomtom. |
écran du gps en noir et blanc , c'est la période
de recherche des satellites , aprés l'écran
sera en couleur |
en bleu les satellites captés |
Menu
principal en 3 volets |
|
 Menu
1
- naviguer vers ( pour tracer votre route rapidement )
- tomtom trafic ( si vous avez l'abonnement tomtom
plus )
- Rechercher itinéraire bis ( si votre itinéraire
ne vous convient pas )
- Ajouter aux favoris ( rajouter une adresse de parking
par ex )
- Modifier préférences ( menu secondaire
)
menu2
- planification avancé ( pour tracer votre route
avec plus de précisions )
- parcourir carte ( permet de voir la carte détaillée
et de mettre des
- aypoints ou POI afin de tracer une route par ex )
- éffacer itinéraire (éfface votre
itinéraire , si vous voulez le conserver r en mémoire
il faut l'enregister avant )
- Afficher itinéraire ( affiche votre itinéraire
sur la carte )
- Planification d'itinéraire ( prévoir
un itinéraire et l'enregistrer )
menu3
- Quitter l'application ( et divers icones )
|
|
Menu
préférences en 6 volets |
| |
|
Le menu préférences n'entraîne
pas de commentaires , vous aménagez votre tomtom à
votre guise , une icône intéressante faire
pivoter votreécran à votre guise , deux
icones importantes , changer de base et actualiser
les POI |

|
|
Aménagements
divers |
| |
Sur une bicyclette : J'ai installé le PDA
sur ma bicyclette , j'ai récupéré
une ancienne fixation de tél portable et j'ai
fixé au dos une attache pouréclairage de vélo
.
Vous pouvez utiliser la carte tomtom ou la cartoexploreur
d'IGN pour vos randonnées .
Sur le campingcar :
Avec la fixation d'origine , livrée
avec le PDA , ce qu'il fautéviter c'est
le coup de soleil , le PDA n'aime pas trop la chaleur
.
Enregistrement de Waypoints POI
... En cours de route : ( aire de service , parking
... )
- allez dans le menu principal cliquez
sur l'icone ajouter aux favoris
- ensuite cliquez sur suivant , et
position GPS , et enregistrez votre POI .
|
|

|
Convertissez
vos Waypoints POI ... :
(
dans d'autres formats pour d'autres GPS )
- par ex si vous changer de gps , ou si
vous voulez me faire parvenir vos POI , avec le logiciel
POIedit ici
- formats reconnus : ov2,Itn,cfg,ovr,asc,csv,gpx,xml
.
Un des véhicules de TELEATLAS
à la recherche des POI ( s ) ,vous remarquerez l'équipement
à l'arrière , la batterie de caméras
. |
|

|
Installation
des POI de radar fixes ( Légal jusqu'en 09/2011 )
vous avez sur le site alerteGps des guides d'installation pour tous les gps

il faut tout d'abord installer sur votre
ordinateur ActivSync de Microsoft ( gratuit en
téléchargement ) ,vous reliéz votre PDA à
votre ordinateur via la prise USB , et le logiciel ActivSyncro se
lance tout seul , vous cliquez sur Explorer .
|
vous pouvez maintenant explorer le contenu
de votre PDA , vous cliquez sur Mon Appareil Windows . |
vous allez rentrer maintenant l à ou
votre carte de France est stockée , c'est à dire dans
Storage Card
|
les radars fixesétant français
, vous allez ouvrir le dossier ou est stockée la carte de
France , c'est à dire France_plus .
|
dans le dossier France-plus , vous avez les
données des images de radars par ex RM.bmp
, et tous les fichiers radars en .ov2 .
après avoir téléchargé
les mises à jour de vos radars , vous stochez ceséléments
ici , et vous retrouverez comme par magie lorsque vous mettrez votre
GPS en marche tous ces points sur votre route . |
sur le site de Radar Fixes , vous choississez
votre appareil , et vous téléchargez le fichier de
données en .zip.
|
et voila le résultat , les points
de radars sont implantés sur la carte , vous pouvez y mettre
des alertes , clignotantes ou sonores ne prendre que les radars
qui se trouvent sur votre route , et télécharger chaque
semaine sur le site Radar Fixes les nouvelles implantations , il
y a de très bon sites aussi pour télécharger
des POI de radars comme
gpspassion .
Pour les radars mobiles , c'est une indication
ou on les a trouvé une ou plusieurs fois , mais comme leur
nom l'indique , ils changent de place très souvent , donc
être bien attentif aux renseignements donnés par le
gps , mais avoir aussi les yeux sur la route .
Pour être encore plus tranquille ,
faites comme moi , montez un régulateur
de vitesse , la conduite est beaucoup plus reposante , le mien
est règlé sur 3 vitesses : 70 , 90 , 110 . |
| 
|
Utilisation
du GPS :
Le gps est portable d'un véhicule
à l'autre ou à pied , en bicyclette ... Il est
léger ( 147 gr ) facile à utiliser ( après
une petite journée de mise en route et d'éssais
) .
Il est utilisable avec ou sans ordinateur , dans
la mesure ou vous achetez une carte SD préchargée
et le logiciel intégré au PDA .
La recherche de positions est un tout petit peu
plus longue qu'avec le Garmin , mais la sensibilité
est plus grande , on capte davantage de satellites .
Les routes sont bien cohérentes et plus
rapide de calcul que sur mon steet pilot III , elles peuvent être
aménagées , mais uniquement sur le PDA , il n'y
a pas de cartes sur l'ordinateur , on peut interdire plusieurs
villes , autoriser le passage sur les villes que l'on veut
enfin aménager son parcours à sa guise ( bon point
) , d'autre part dans les préférences on peut
choisir sa route :
- itinéraire le plus rapide
- itinéraire le plus court
- éviter les autoroutes
- éviter les péages sur autoroutes
- itinéraire à pied
- itinéraire à vélo
- vitesse limitée
Le point noir , c'est le temps de transfert
des cartes qui est très long ( pour la France 1H ) et si l'on
veut changer de carte (s) rebelote et dix de der , d'autre part
les cartes sont globales ( un pays à la fois ) il auraitété
préférable de fractionner ces cartes en modules chargeables
à sa guise comme sur le garmin ou viamichelin , et avec un
lecteur de carte ( sur le garmin chargement du trajet france autriche
5 mn ). Prenons un ex vous voulez
vous rendre en autriche et avoir une carte détaillée
, il vous faut 414+347 = 761 mo soit une carte SD de 1 go , avec
un temps de chargement ( pc/pda) .......
En résumé , tomtom navigator 5
, c'est un très bon produit , il lui
manque un lecteur de carte SD . |

|
Qu'est
ce qu'un pare-brise athermique ?
Il s'agit d'un nouveau pare-brise
pour réduire, par réfléchissement, le rayon
du soleil. Il a pour effet de faire abaisser la température
de la planche de bord et de faciliter la climatisation. Plusieurs
couches de particules d'argent et de titane sont situées
entre les 2 lames de verres du pare-brise. On peut facilement les
distinguer en regardant à 45 ° en plein jour, une couleur
bleue (comme les lunettes de ski) est plus visible par rapport aux
autres voitures plus anciennes… pare brise utilisé
depuis 2000 par les véhicules hauts de gamme . |

|
Lecteur
de cartes SD MMS PNY
Un petit lecteur très
interessant que vient de sortir la marque PNY , il gère les
cartes SD , et peut servir à l'occasion de clé
USB ( avec une carte amovible ) .
Transfert du cdrom au pc et du pc à la
carte SD par le lecteur PNY 347 mo 5 mn
Donc plus de problèmes de chargement
de cartes avec TOMTOM
Sur Cdiscount par ex prix 9,9 € site
|

|
Tom Tom 6
une alternative interessante puisqu'il vous faut une carte mémoire SD .
vous trouverez rue du commerce cette carte transcent très rapide ( 150X) de 2go avec un lecteur de carte SD , c'est l'idéal pour votre gps .
pour mettre à jour votre carte routière avec la version tom tom 6 , il vous faut une carte SD de 2go pour mettre la carte de l'europe . |

En final , j'ai installé
le mio 168 devant le tableau de bord , j'ai collé
uneéquerre en alu au double scotch sur le tableau de bord
et la fixation du gpségalement , cela tient très bien
et le démontage est aisé . Au
dessus du gps , j'ai collé au double scotchégalement
un petit carton recouvert de vinyl noir pour le protéger
des rayons du soleil , vous pouvez collerégalement dessus
en place du vynil du papier d'alu pour la réverbération
.
Le problème avec la fixation d'origine
par ventouse , qui est très pratique , c'est le tremblement
continuel de l'écran gps dans le campingcar , le manque
de stabilité et de rigidité . |

une autre position |

mousse sur le dessous pouréviter les vibrations |

|
Comparatif tomtom / viaMichelin / et street pilot III
|
|
TOMTOM |
VIAMICHELIN |
STREET PILOT III |
|
|
|
|
| installation |
Assez facile |
Assez facile |
facile |
| chargement des cartes |
Avec lecteur sd rapide |
Long |
rapide |
| détails des cartes |
bon |
correct |
bon |
| précision du gps |
correct |
correct |
très bon |
| tracé d'itinéraires |
facile |
facile |
facile |
| aménagements d'itinéraires |
oui |
non |
oui |
| gestion des péages autoroutes |
oui |
non |
oui |
| recalcul d'itinéraires |
rapide |
rapide |
assez long |
| gestion des POI |
bonne |
moyenne |
moyenne et très limitée |
| gestion des radars |
oui |
oui |
non ( poi limités ) |
| prix europe |
190 € |
190 € |
190 € environ |
la dernière version de Via michelin est interessante , elle prends en compte les péages et info trafic: ViaMichelin Navigation V6.5 ( 05/2007) |

|
GPS TOM TOM GO ( 300 )
|
FACILE
* Branchez, allumez
et c'est PARTI
* Planification d'itinéraire : planifiez votre voyage
en définissant de multiples points de cheminement et destinations
* Facile à utiliser parécran tactile
* Instructions vocales claires et précises tout au long du
trajet
* Choix d'itinéraires : itinéraire le plus rapide,
le plus court ouévitant les péages et les zones payantes
INGENIEUX
* Modèle compact et portable, facile
à transférer d'une voiture à l'autre
* Graphiques 3D clairs et précis
* Affichage de l'itinéraire : consultez et testez votre itinéraire
avant de prendre la route
* Barre d'état dynamique : améliorez la lisibilité
en personnalisant la barre d'état
* Fonctionnalité conseil : découvrez tout ce que GO
peut vous offrir grâce à de précieux conseils
affichés à l'écran
* Visite guidée complète : sélectionnez les
fonctionnalités encore plus rapidement pour tirer le maximum
de votre TomTom GO
* Antenne GPS intégrée
* Plus de 30 langues avec plus de 50 voix
* Interface utilisateur : inclut maintenant 18 langues
* Navigation par code postal pour une sélection plus simple
et plus précise de votre destination (Royaume-Uni et Pays-Bas
uniquement)
* Des milliers de points d'intér êt disponibles
* Mode boussole disponible : affiche une boussole à l'écran
pour optimiser l'orientation durant la conduite
* Volume lié à la vitesse de la voiture : le volume
des instructions vocales augmente/diminue en fonction de la vitesse
de la voiture
*écran anti-éblouissant pour affichage optimal, m ême
en plein soleil
* Bouton marche/arr êt optimisé :évite que l'appareil
ne s'éteigne par accident
CONNECTé
* Connexion Bluetooth™ intégrée
* TomTom PLUS vous fournit en temps réel les informations
dont vous avez besoin sur les embouteillages et les conditions météorologiques,
tout en vous permettant de télécharger des plans de
ville détaillés, des voix supplémentaires,
des points d'intér êt et bien plus
* USB 1.1
Caractéristiques techniques
* 200 Mhz ARM920T processor
* 32 MB RAM
* SD Card for map storage
* 320 x 240 x 4096 colours 3.5” TFT screen
* Internal Li-Ion battery
* 115mm x 92mm x 58mm, 310 grams
* 12 channel ‘All-in-View' integrated GPS receiver
* Internal antenna and support for (not in package) active external
antenna
Prix du GO 300 au
GO 700 de 499 € à 799 € |

|
Gps garmin streetpilot c320 / c330
|
Caractéristiques
des GPS Garmin StreetPilot C320/C330 :
- Guidage vocal entièrement en Français
- Navigation en 3D
- Microprocesseur de dernière génération
Garmin permettant des calculs d'itinéraires extr êmement
rapide
- Compatible WAAS, réception sur
12 canaux parallèles
- Antenne intégrée, connecteur
MCX pour un branchement à une antenne GPS externe optionnelle
- carte SD de 512 Mo amovible pré-chargée
France( StreetPilot c320 uniquement )
- Mémoire interne pré-chargée
Europe( StreetPilot c330 uniquement )
- Alarme et instructions de navigation
visuelles et vocales
- Affichage : 7,1 x 5,1 x 8,9 cm, 320 x
240 pixels,écran TFT rétro-eclairé et tactile
- Dimensions : 11,1 x 8,1 x 7,1 ( diagonale)
cm
- Poids : 268 grammes
- Batterie lithium ion intégrée
pour les voyages
- Système de fixation par ventouse
ce qui permet un montage/démontage aisé et rapide
- Interface USB
Entre 600 et 750 € .
Une remarque perso : Garmin m'a toujours
apporté des satisfactions , très bon rapport qualité/prix
.
 GPS Garmin , la gamme Nuvi 300 à 360
Les nouveaux nüvi ont des dimensions plus réduites que leurs prédécesseurs et le nüvi 360 propose une synthèse vocale des noms de rue.
Caractéristiques:
- Puce GPS SiRF III
- Lecteur MP3, lecteur de livres audio (de chez audible.com)
- Visionneuse de photo JPEG
- Kit mains libres Bluetooth
- Système antivol Garmin Lock
- Dimensions et poids: 9,8 x 7,4 x 2,2 cm ; 145g
Les nouveaux nüvi seront disponibles en avril, aux prix annoncés suivants:
- Garmin nüvi 310: 549 € , avec la cartographie préchargée d'un pays.
- Garmin nüvi 310 deluxe: 599 € , avec la cartographie préchargée d'un pays + l'Europe sur DVD.
- Garmin nüvi 360: 749 € , avec la cartographie préchargée de l'Europe. |
|

|
|
ECRAN
Dimensions HxL : 43 x 33 mm
Résolution HxL : 176 x 220 pixels
Rétro-éclairage
Ecran TFT à 32 000 couleurs
GPS
Extension Mémoire
Antenne intégrée
12 canaux
Prise pour Antenne GPS déporté
WAAS / EGNOS
Guidage textuel
Guidage Vocal
Navigation Routière en 2D
Navigation Routière en 3D
Nombre de Waypoints : 500
Extension de la mémoire possible par carte SD (non fournie).
ALARME
Alarme Radars
INTERFACE
Port USB |
Gps GARMINi3
GENERAL
Haut Parleur intégré
Menu en Francais
AUTRES CARACTERISTIQUES
Autonomie 6 Heure (avec piles AA R6)
Consommation : 3 Watts à 13,8 Volts
Dimensions HxLxP : 69 x 76 x 55 mm
Plage de Température : 0 ° C à 60 ° C
Poids : 150 g
CONTENU DE LA BOITE
StreetPilot i3 préprogrammée avec City Navigator Europe NT (France uniquement), support de montage amovible à ventouse, câble d'adaptateur de 12-24 volts, disque de tableau de bord, câble d'interface USB, CD de pilotes USB, guide de référence rapide.
en vente chez mistergooddeal pour
187 € |
|

|
Navigation plug and play
Disque dur de 2,5 Go avec le plan de l'Europe de l'ouest préinstallé (27
pays)
Ecran tactile 3,5 pouces
Puce SiRF3
Processeur Intel PXA-255 300 MHz
Affichage 65000 couleurs
Résolution 320 x 240
Points d'intér êt : plus de 1,8 millions
10 langues pour les voix et le texte
Visualisation du plan : 2D + 3D, jour et nuit
Temps de batterie : 3 heures d'utilisation
Peut lire le MP3
Programme de visualisation d'image
en vente chez clust pour
499 € |
Systè de navigation GPS D-Navi 6000

Dunlop
®
Caractéristiques:
SDRAM : 64 Mo
FlashROM : 32 Mo
Visualisation du plan : 2D + 3D, jour et nuit
Temps de batterie : 3 heures d'utilisation
Peut lire le MP3
Programme de visualisation d'image
Haut-parleur intégré
Port pour carte SD/MMC
Interface : USB 1.1
Boutons faciles à utiliser
Prise casque
Accessoires :
Câble USB
Adaptateur secteur
Chargeur voiture
Stylet
Support
CD avec manuels et utilitaires
Guide de démarrage rapide |
|

|
nouvelle génération de gps de 5 et 7 pouces , ( dispo 09 à 10/2006 ) donc beaucoup plus agréable à utiliser du fait de la dimension desécrans . autour de 400 €
écran :
TFT 65k Couleur Tactile
16:9 / 7"
Système d'explotation :
Windows CE Net 4.2
Système de Navigation :
Cosmic Navigation
Système de Cartographie :
Navteq
Processeur / mémoire :
ARM 920T / 400 Mhz
SDRAM 64 Mo
Lecteur de Carte :
SD/MMC Card
Chipset GPS :
SIRF 3 (passe au travers des pare brise athermique)
|
GPS - TFT Tactile 16:9 / 7" - SIRF III
Batterie :
Lithium / Ion
Autonomie : 4 heures
Fonctionalités :
Navigation/Guidage 2D - 3 D
Zoom Automatique
Guidage Vocale
POI (Points d'intér êts)
Entré vidéo pour utiliser le GPS comme unécran
Divers :
Port USB - Sortie Audio Jack (casque)
Haut Parleur Intégrés |
 TOMTOM ONE
Fournie avec carte SD contenant les données cartographiques.
Largeur 11 cm
Profondeur 3.4 cm
Hauteur 8.9 cm
Poids 260 g
Récepteur 20 canaux
Connexion PC USB
Fonctions/services du GPS Boussoleélectronique
Voix Instructions de navigation
Antenne Antenne intégrée de haute sensibilité (pour pare-brise athermique)
Caractéristiques Connexion d'une antenne GPS externe en option, compatible TomTom PLUS, perspective 2D / 3D du plan
Mémoire intégrée 32 Mo
Cartes comprises France ou europe ( 299 € )
Navigation Ordinateur de voyage Itinéraire le plus rapide, sans autoroutes à péage, itinéraire rapide/court
Ecran intégré Type LCD
Résolution 320 x 240
Taille de diagonale 3.5"
Langue du menu d'affichage Hongrois, flamand, anglais, français, italien, norvégien, portugais , polonais , finnois , suédois , hollandais , turc, letton, lituanien
Fonctionnalités écran tactile, anti-éblouissement
Connexions Type de connecteur Antenne
USB
Batterie Type de boîtier de piles Interne
Technologie Lithium Ion
Durée d'exécution (jusqu' à) 2 heure(s)
Divers Accessoires inclus Câble PC, adaptateur d'alimentation pour automobile, montage sur le pare-brise du véhicule
Notices d'utilisation téléchargeables (1 seul téléchargement après achat, dans la langue disponible de votre choix) : Français |
Tomtom go 730 traffic ( mai 2008 ) 
- écran large LCD de 4,3 pouces au format 16:9 (WQVGA : 480*272 pixels)
- Processeur 400 MHz, 64 Mo de RAM
- Mémoire Flash interne de 2 Go
- Emplacement de carte SD compatible avec les cartes SD et MMC
- Récepteur GPS ultra sensible
- Récepteur d''infos trafic RDS-TMC
- émetteur FM intégré
- Bluetooth®
- Batterie lithium-polymère (jusqu' à 5 heures d''autonomie)
- Fonctionnalité mains libres de haute qualité grâce aux microphones et au
haut-parleur optimisés intégrés
- Dimensions : 118x83x24 mm
- Poids : 220 grammes
avec le 930 , c'est à mon avis l'un des meilleurs gps sur le marché actuellement site tomtom |
|
 Mappy iti400, GPSslim,écran large 08/2009
Un GPS à écran tactile panoramique (4,3 pouces) qui reste fin malgré sa taille : seulement 12,9 mm d'épaisseur !
gps très interessant , très bon rapport qualité prix qui reprends le logiciel IGO 8 très performant en version 8.3.2.84550 .
voir igo 8 ici
Fonctionnalités :
- La cartographie Mappy : Retrouvez sur votre GPS la simplicité de lecture des cartes Mappy.
- Le guidage assisté : Affichage des panneaux et voies de circulation
- Le nouveau logiciel de navigation Igo8 pour une navigation plus intuitive
- La nouvelle plateforme de téléchargement de contenus Mappyextra pour effectuer des mises à jour et des achats de cartographie et divers contenus
- Un design exclusif et un écran 4,3'', ultra léger pour être emmené partout : en voiture, dans le sac, dans la poche !
- Les transports en commun : Le calcul des itinéraires en transports en commun dans 57 villes en France, 146villes en Europe et 215 villes dans le monde)
- La localisation des radars mise à jour gratuitement en utilisant le logiciel Toolbox et une alerte sonore en cas de dépassement de vitesse
- Près de 1,2 millions de points d'intér êt (liste complète et actualisée)
- Des accessoires disponibles en ligne pour une utilisation quotidienne optimale de votre GPS : stylet, chargeur allume-cigare, câble USB, kit de fixation, housse...
disponible par ex chez grosbill pour 130 € voir site mappy |
 GPS SNOOPER 09/2009
GPS Camping Car CC2000
Une vraie solution de navigation dédiée aux caristes !
Le chauffeur entrera les dimensions et le poids du véhicule, et Snooper CC2000 calculera un itinéraire adapté avec exclusion automatique des routes non accessibles à ce type de véhicule. CC2000 propose également la liste complète des campings d'Europe ACSI avec moteur de recherche ainsi que les Point d'Intér êts spécifiques camping car.
La plus grande base de données campings par ACSI
CC2000 vous permet de sélectionner votre prochain camping parmi les 8600 camps à travers l'Europe recensés par ACSI. Cette fonction unique vous permet m ême d'affiner votre recherche avec les aménagements de votre choix (avec piscine, pr êt d'une rivière, avec un commerce, pr êt d'une plage, avec restaurent...). Une liste de campings disponibles sera affichée avec les coordonnées téléphoniques ainsi qu'une photo du site.
Les restrictions prises en compte par le Snooper CC2000:
Restrictions de gabarit du CC2000
- Hauteur
- Largeur
- Longueur
- Poids
|
 GPS DANEW GS 260 09/2009
GPS Nomade 4.3",écran tactile
Un grandécran pour une vision optimale et confortable :
- Design moderne etélégant
- Grandécran tactile 4,3" extra-plat
- Utilisation intuitive et rapide
- Aires de service Eurocampingcar préchargées
- Base de données radars préchargées
CARACTERISTIQUES PRINCIPALES
Processeur : SIRF Atlas III 372 MHz
Mémoire / RAM : 64 Mo
Mémoire / ROM : 64 Mo, jusqu' à 2 Go
Emplacement mémoire : SD
Ecran :écran couleur tactile 4,3" TFT 480x272
Batterie : Li-Poly 1100 mAh rechargeable
Autonomie : jusqu' à 3 h
Connectique : mini-USB
Démarrage à chaud : = 38 sec
Démarrage à froid : = 43 sec
Réacquisition : = 1 min
Navigation : Europe
Système d'exploitation : Win CE. Net 5.0
Dimensions : 116 x 72 x 14,5 mm
Poids : 180 g voir le site : DMS Electronic |

|
Gps TomTom Go Live 950( 03/2010 ) |
caractéristiques technique :
- Connectivité GPRS intégrée, 3 mois d'abonnement aux Services LIVE
- dans votre pays inclus
- écran à cristaux liquides extra large de 4,3 pouces format 16:9
(WQVGA: 480*272 pixels)
- Mémoire Flash interne 4 Go
- Emplacement de carte microSD
- Récepteur GPS ultrasensible
- Bluetooth®
- mains libres téléphone
- Batterie ( jusqu' à 3 heures d'autonomie en fonctionnement)
- Microphones et haut-parleur intégrés, optimisés pour des appels mains libres d'une
qualité sonore optimale
- Dimensions : 127x85x23 mm
- Poids : 224 grammes
voir sur le site tomtom toutes les caractéristiques , et atouts .
vous avez un test du go live sur tomtommax .
en théorie un GPS performant ,
en réalité : j'ai acheté ce gps le 22/ 02/2010 pour profiter de la fonction live , un petit problème au départ la fonction hd traffic live n'était pas activé , contact tomtom quelques jours après tout se régularise après quand m ême plusieurs messages au services techniques tomtom france .
la fonction live alertes engendre des gels d'écrans (freezes ) depuis la sortie du modèle 09/2009 , problème non signalé au client et non corrigé à ce jour 31/03/2010 , c'est quand m êmeétonnant de sortir des modèles de gps en béta test pour le client , ces appareils ne sont pas finis techniquement la partie logicielle 9.026 ne suis pas et cela depuis 6 mois ,étonnant!!! voir le forum gpspassion |
LIVE ( en direct ) :
- HD Traffic le trafic routier en direct
- Alertes de sécurité radars fixes ou ( mobiles avec coyote ) les radars sont indiqués dans le sens de circulation
- Prix des carburants avec TomTom
- recherche locale avec google
- QuickGPSfix une aide précieuse pour capter rapidement les satellites
- météo
pour la gestion du gps vous avez tomtom home à télécharger gratuitement sur le site tomtom , le gps est très simple à configurer .
en résumé , gps ultra simple à configurer , très performant avec de multiples options quand ç à marche ( depuis 6 mois la fonctions alertes live engendre des freezes ).
la première recherche de satellite peut demander 1 ou 2 minutes ensuite , c'est très rapide , parfois instantané si vous l'avez utilisé récemment au m ême endroit .
pour un calcul d'itinéraire très long avec iq routes ( qui n'est pas nécessaire pour un long trajet ) par ex le mans gouveia ( au portugal ) 1'55" 1378km ce qui est très performant , les informations données en live demandent 1' de plus .
un point très interessant de ce gps la mémoire , d'origine 4mo , on peut rajouter une micro carte amovible de x mo , j'en ai mis une de 4moégalement , et j'ai mis une carte d'europe sur la mémoire du gps et une carte d'amérique du nord livrée avec l'appareil sur la micro sd ext , ce qui fait qu'il me reste 2+2mo de libre pour rajouter ce que je veux , autre carte , poi's..etc... |
|
Garmin nuvi 3790LMT 20/05/2011
une petite révolution dans le monde du gps
Caractéristiques :
- Un design universellement acclamé 8,5mm d'épaisseur
- Résolution de l'écran, L × H: 800 x 480 pixels
- Inclus les mises à jour des cartes gratuites à vie !
- Ecran ultra-précis à la technologie multipoint
- Le nüvi 3790LMT : l'expérience 100% vocale
- Cartographie NAVTEQ™ 43 pays d'Europe
- Avec nüRoute™ le calcul d'itinéraires devient encore plus précis et performant
- Info-trafic Premium pan-européen¹ gratuit à vie
- Assistant de voies de circulation et affichage des panneaux routiers
- Limitations de vitesse sont sur axes principaux
- Appels mains libres via Bluetooth®
- Fonction ecoRoute™ pour vous aider àéconomiser du carburant
- Second haut-parleur présent dans le support.
- Accepte les cartes mémoire: carte microSD™ (non fournie)
- accepte les poi(s) avec poiloader téléchargement gratuit sur site
- mode vélo et piéton performant , un atout de plus
- Autonomie de la batterie: jusqu' à 4 heures
- Dimensions : 12,2 x 7,5 x 0,89 cm
- Poids : 113 grammes
site garmin prix 05/2011 349 € pour le LMT chez boulanger par ex .
Gps très rapide en matière de calcul d'itinéraire :
 test de tomtomax voir site
| test du garmin nuvi 3790 LMT sur parcours paris lyon ( centre ville ) |
| Temps de calcul avec péage |
6,5s |
| Temps de calcul sans péage |
20s |
test campingcar bricoloisirs du 22/05/2011
diverses copies d'écran
utilisation très simple , gestion avec le tableau de bord garmin :
gestion des poi (s) avec poi-loader ( voir le site garmin ) en .csv ou .gpx :
2 lociciels gratuits :
- Poi-loader ( pour charger les poi (s) dans le gps )
- Poiedit ( pour transformer vos points en .csv ou gpx )
|
|

|
Commentaires :
Message de jacques 13/02/2010 : Je viens d'acheter un GPS Garmin nüvi 465 spécial Poids lourds. Jusqu' à présent très bien. Il est très utile pour les CC car par exemple le mien (Laïka ecovip 2) est assez haut (3,20m) donc je surveille les ponts.... avec ce GPS je programme mon trajet en fonction de la hauteur et c'est très bien. Petit défaut car il faut le dire aussi, comme je suis un peu dur d'oreilles, la puissance du HP est limite. |

|
 GO LIVE Camper & Caravan 10/2013
un des derniers nés de tomtom , gps intérèssant pour 6 raisons :
- gps rapide ( c'est le go live 1005 )
- 5 pouces ( il serait plus grand ce n'en serait que mieux ... )
- cartes à vie
- pois intégrés des aires en europe
- tient compte du gabarit du véhicule
- services en live
Spécifications techniques :
- Batterie Durée de vie de la batterie Jusqu'à 2 heures d'autonomie en fonctionnement ( en réalité un peu moins ... )
- Connectivité
aux services LIVE , service d'un an inclus
- Bluetooth® Pour appels mains libres
- Fixation pour véhicule Fixation de pare-brise pliable, passive
- Mémoire
interne Localisation pour carte SD microSD
- écran multi-touch de 13 cm (5 pouces)
Type d'écran Écran large capacitif 16:9
Résolution de l'écran 480 x 272 pixels
- Dimensions (L x H x P) 127 x 80 x 19 mm
- Poids 220 grammes
après l'enregistrement , sur le site tomtom , mises à jour facile avec MyDrive connect :
test du go live 1005 ici
Commentaires :
de rémy : je possède ce produit depuis 3 mois , j'en suis satisfait , pas de problèmes majeurs avec tomtm . |

|
Internet
en campingcar 
Avant propos
Il y a 3 ou 4 ans , ilétait difficile
de se connecter à internet avec son portable , je suis chez
bouygues et à cetteépoque le réseau n'était
pas encore suffisammentétendu , les portablesétaient
limités en gsm uniquement et il y avait des difficultés
d'approvisionnement en câbles séries pour certains
portableséquipés de modem .
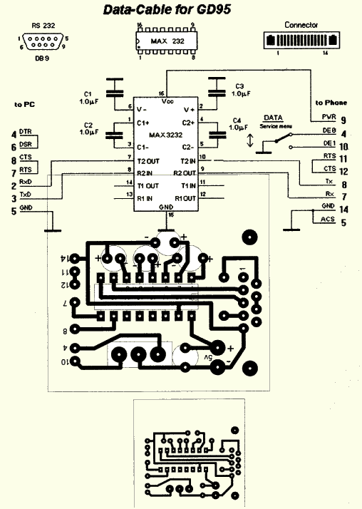
Je possédais à l'époque
un portable panasonic GD75 , et je n'ai pas pu trouver
de câbles dans le commerce , j'ai du m'en fabriquer
un , je vous livre pour infos uniquement le montage final que j'ai
utilisé avec le circuit imprimééch:1 au dessous
, montage quasi universel des cables séries. |
 |
|
|

Différentes platines utilisées
pour éssais Cable final pour panasonic GD75 |
|
|
| Depuis 3 ans J'utilise
un SAGEM équipé de modem en gprs le
MYX-3 et depuis quelques temps le MYX3-2 , j'avais
achetéégalement à cetteépoque à
la boutique
sagem le câble pour un prix très raisonnable .
Pour communiquer à internet il faut
prendre l'option “data” ( pour ma part 10 mo pour
6 € par mois ) avec différents forfaits , gérer
le répertoire , envoyer vos sms ... , bouygues ( et les autres
opérateurs ) fournissent un logiciel gratuit en ligne sur
le site de l'opérateur . |
|
 |
|
L'ordinateur portable , le téléphone
et son câble de liaison ( soit série ou usb avec
un adaptateur si nécessaire )
J'utilise le logiciel de BVRP mobil
phone tools pour la gestion de mes liaisons , internet
, mails , fax , sms , mms , répertoire ( voir photo à droite ).
la copie d'écran de droite est réalisée avec une connection orange et un tél sagem my700x , le réseau orange peut vous accorder :
- option internet 10 mo pour 6 € de plus sur votre forfait
- ou option internet plus 60 mo pour 20 €
il n'existe pas d'autres alternatives pour vous connecter à internet sauf le satellite ( très cher ) et le wifi si vous êtes près d'un relais . |
|
il existeégalement le logiciel wellphone XT qui est très pratique aussi , l'avantage de ces deux logiciels :
- gestion de votre connection internet automatique
- gestion de votre consommation ( très important car les Mo coutent cher )
- gestion de votre téléphone portable ( sms, mms , répertoire....)
vous pouvez très bien vous passez de logiciel et vous connecter à internet en créant votre connection manuellement voir tutorial . |
La 3G  |
|
GPRS Evolution de GSM dont il réutilise les infrastructures (sur la base d'une mise à jour logicielle), le GPRS repose sur la commutation de paquets et devrait permettre d'atteindre des débits de l'ordre de 170 kbps. Disponible sur l'intégralité du réseau Orange en France métropolitaine
Edge Cette technologie est une nouvelleévolution du réseau GSM, permettant un débit 2 à 3 fois supérieur à celui du GPRS.
3G Troisième génération de téléphonie mobile basée sur le réseau UMTS avec jusqu'à 384 kilobits/s autorisés lors du transfert d'informations (voix ou données), un peu moins que l'ADSL en 512
avec la 4G 4G c' est la quatrième génération des standards pour la téléphonie mobile , transmissions de données à des débits théoriques supérieurs à 100 Mb/s, voire supérieurs à 1 Gb/s (débit minimum défini par l'UIT pour les spécifications IMT-Advanced (en)).
|
Copies d'écran de la clé usb SFR 3G+
vous branchez votre clé usb , et vous attendez quelques minutes , tout se configure automatiquement , avec la clé SFR .
le logiciel vodafone avant la connection
connectionéffectuée en quelques secondes
vitesse de connection près du Mans en G3+ 1040Ko 3/10/2007 18h
|

orange vitesse théorique 3,6 mo/bits |

sfr vitesse théorique 3,6 mo/bits |

nouvelle clé USB sfr
vitesse théorique 7,2 mo/bits |
|
| comparatif des offres (10/2007) |
opérateurs
- prix d'achat *
- mise en service automatique
- besoin d'un cd d'installation
- facilité d'usage du logiciel
- couverture réseau ( 10/2007)
- forfait 3h *
- forgait 25 mo *
- forfait 60 mo + 512 mo soir et weekend *
- forfait 1 go *
- dépassement du forfait prix par mo
- utilisation à l'étranger en europe par 10ko + la connection**
|
orange
- 9 €
- oui
- non
- ?
- -
- 24 €
- non
- 40 €
- 70 €
- 0.2 €
- 0.09 €
|
sfr
- 9 €
- oui
- non
- oui
- +
- non
- 20 €
- 30 €
- 55 €
- 1 €
- 0.05 €
|
* avec engagement 24 mois , mais possibilité 12 mois + 5 € uniquement sur les forfaits .
** prix de la connection en plus 1 à 1,5 € pour l'étranger allez dans les campingséquipés WIFI
je ne ferais pas de mises à jour des tarifs , ceux-ciévoluant constamment , il suffir d'aller sur le site sfr ou orange pour avoir les derniers tarifs en vigueur |
Conclusion
:
Matériel nécessaire
:
- - 1 ordinateur portable ou un PDA
- - 1 téléphone portable avec modem gprs ( minimum
) ou 1 clé usb orange ou sfr en 3G+
- - 1 câble de liaison usb ou l'infra-rouge ou bluetooth
- - 1 logiciel de gestion
- - l'option ‘data' de votre opérateur
Maintenant vous êtes parés pour relever votre courrier
et vous connecter au site Campingcar-bricoloisirs . |
Commentaires :
Message = bonjour Je voudrais apporter une petite précision quant à la clef usb de chez orange.J'en possède une et il ne faut pas de CD d'installation. Celle ci se fait automatiquement des le branchement de la clef. Amicalement claude
lors de ma sortie de mai 2008 j'ai eu les connections suivantes chez sfr :
- en campagne connection gprs 100ko
- sur le littoral méditéranéen connection 3g+ 1500ko
|

|
WIFI gratuite une alternative au modem du tél portable et avec une vitesse plus grande ( celle de la borne WIFI en ADSL ) 
Un réseau sans fil (en anglais wireless network) est, comme son nom l'indique, un réseau dans lequel au moins deux terminaux (ordinateur portable , pda, etc.) peuvent communiquer sans liaison filaire.
Grâce aux réseaux sans fil, un utilisateur a la possibilité de rester connecté tout en se déplaçant dans un périmètre géographique plus ou moinsétendu .
Les réseaux sans fil permettent de relier très facilement deséquipements distants d'une dizaine de mètres à quelques kilomètres. De plus l'installation de tels réseaux ne demande pas de lourds aménagements des infrastructures existantes comme c'est le cas avec les réseaux filaires (creusement de tranchées pour acheminer les câbles, équipements des bâtiments en câblage, goulottes et connecteurs), ce qui a valu un développement rapide de ce type de technologies.
En contrepartie se pose le problème de la réglementation relative aux transmissions radio-électriques. En effet, les transmissions radio-électriques servent pour un grand nombre d'applications (militaires, scientifiques, amateurs, ...), mais sont sensibles aux interférences, c'est la raison pour laquelle une réglementation est nécessaire dans chaque pays afin de définir les plages de fréquence et les puissances auxquelles il est possible d'émettre pour chaque catégorie d'utilisation.
De plus les ondes hertziennes sont difficiles à confiner dans une surface géographique restreinte, il est donc facile pour un pirate d'écouter le réseau si les informations circulent en clair (c'est le cas par défaut). Il est donc nécessaire de mettre en place les dispositions nécessaires de telle manière à assurer une confidentialité des données circulant sur les réseaux sans fil ( clés wep par ex ). |
FON, c'est quoi ?
Fon est la plus grande communauté WiFi du monde. Nos membres partagent leurs accès internent personnels sans fil et, en retour, bénéficient d'un accès internet WiFi gratuit partout où ils trouveront un autre point d'accès appartenant à un Fonero.
Tout part d'une idée simple. Pourquoi payer un second accès internet lorsque l'on paye déj à le sien à la maison ? En fait, on ne devrait pas.
Devenir un Fonero est simple et facile. S'enregistrer, acheter « La Fonera », et convertir votre accès internet en point d'accès FON. Devenir un Linus et se connecter gratuitement partout, ou vendre une partie de votre connexion WiFi devenir un Bill.
voir le site de fon
condition : avoir un portable avec wifi intégré ou portable avec clé wifi usb .
Les hotspots WIFI autre que Fon en france
|

|
internet wifi en camping car par dominique 10/2011
Pour me connecter à internet dans mon camping-car j'utilise une antenne yagi puissance de 16 décibels que j'ai fabriqué à partir d'un schéma trouvé sur le web à l'adresse wiki.backtrack Que je pose sur le toit avant de connecter .
Suffisamment puissante pour recevoir le wifi gratuit hotsopt haut débit SFR, FREE, Mac Donald ou autres, j'ai reçu le signal wifi à des distances importantes en champ libre jusqu' à 1000m. On peut avoir un compte soit SFR, free ou Bouygues ce qui permet d'avoir plus de possibilité de se connecter en hotsopt sur les aires de services, parking CC Durant mes voyages j'ai trouvé à 95% des hotspots SFR, Free 50% de hotspots, le hotspot est hébergé dans les box des opérateurs SFR FREE Bouygues très peut chez orange .
Cette antenne je la pose sur un support collé sur le toit fait d'une plaque de plastique et un manchon de tube 32
 |
 |
 L'antenne est fixée sur tube en pvc de 32mn qui permet la rotation avec une vis etécrou papillon pour permettre le mouvement bas haut |
 L'interface antenne ordinateur wifisky2000 |
 Avec un ordinateur 15 pouces qui ne prend beaucoup de place dans le camping-car |
 antenne en fonction |
|
|
Mon choix Hi-Tech Tablette PC / GPS ". par jean marie 30/01/2014
Je voulais vous faire partager mon choix et l'installation de ma tablette qui va me servir de PC et de ...... " Big " GPS.
- Depuis plusieurs années, j'utilise un smartphone ( Android ) pour téléphoner bien sûr mais aussi comme GPS :
- * GPS autonome avec les cartes et les POIS installés dans la mémoire du téléphone
- * ou GPS connecté ( 3G / 4G ) .............. c'est selon mes envies et mes besoins !
- Il m'arrive aussi d'utiliser quelques applications sur le NET, mais c'est la fonction GPS que j'utilise le plus avec ce smartphone,
.......... sauf qu'unécran de 4" , c'est un peu / beaucoup ridicule dans mon C Car ................. de 86" de large ! ! !
- En deuxième lieu je ne voulais pas emporter mon PC portable, un peu trop difficile à planquer, à mettre dans un sac à dos et qui possède bien trop de données personnelles que je ne souhaite pas perdre ou me faire voler ?
- Je me suis payer aussi un autoradio multimédia, mais je ne voulais absolument pas un appareil qui fasse : Radio / DVD - GPS (un peu restreint ) - Récepteur téléphone - vidéo caméra de recul ...................
J'ai donc choisi :
- Une tablette qui fait : PC et GPS
- Un Multimédia qui fait : Radio / DVD - Récepteur téléphone - Vidéo Caméra de recul
Aussi j'ai acheté la tablette " Samsung Galaxy Note 10" - Wifi - Bluetooth - 3G / 4G " que j'ai installée comme un pare soleil et dont je vous donne l'installation en images.
C'est une tablette très chère, mais en dehors des "Apple " c'est la meilleure actuellement sur le marché ; elle fait tout : ...... papa ........... maman ......... internet en 4G.
Aujourd'hui tout le monde sait que la 4G n'est pas trèsétendue , mais dans 6 ou 12 mois ce sera à mon avis un confort pour naviguer dans la nature ...........voir la TV ............etc.
( A oui, il faut dire que je n'ai jamais voulu de TV dans mon CCar que je possède depuis mai 2013, parce que j'avais toujours l'arrière pensée de voir la télé sur un PC ou une tablette ; c'est toujours le prix d'une télé de gagné. )
Et pour finir, je peux la cacher facilement ou la prendre dans mon sac à dos sans problème, ...................... d'abord je ne peux plus ........ m'en passer ! ! |
|
L'ADSL par satellite d'Alden |
Le système ADSL par satelille est une alternative très interessante , mais malheureusement réservé à une minorité , car le coût d'achat estélevé , et l'abonnement reste couteux actuellement .
documentation Alden :
le campingcariste actuel qui emmène son portable avec lui peut se connecter en wifi ou en gprs edge à vitesse plus lente mais d'un coût modique et il n'a pas besoin d'une vitesse trèsélevée pour récupérer son courrier ou voir son site préféré en l'occurence campingcar-bricoloisirs .
il faut espérer que dans un avenir proche , l'on puisse s'équiper en ADSL par satellite pour un prix raisonnable , aussi bien à l'achat que pour l'abonnement .
nouveauté novembre 2007 
internet moins cher
pdf |